| Les formules de Roark pour les tensions |
|---|
| Caractéristiques des sections transversales - Tableau A.1 (1-14) |
| A=surface (mm2), x/y= distance à la fibre extrême (mm), I=moment d’inertie (mm4), r=rayon de giration (mm), Z=module de section plastique (mm3), SF = facteur de forme |
| 1. CARRÉ |
|---|
![]() |
| A carré (mm2): | A |
| yc carré (mm): | yc |
| xc carré (mm): | xc |
| y'c carré (mm): | y'c |
| Ix carré (mm4): | Ix |
| Iy carré (mm4): | Iy |
| I'x carré (mm4): | I'x |
| rx carré (mm): | rx |
| ry carré (mm): | ry |
| r'x carré (mm): | r'x |
| Zx carré (mm3): | Zx |
| Zy carré (mm3): | Zy |
| SFx carré: | SFx |
| SFy carré: | SFy |
| 2. RECTANGLE |
|---|
![]() |
| A rectangle (mm2): | A |
| yc rectangle (mm): | yc |
| xc rectangle (mm): | xc |
| Ix rectangle (mm4): | Ix |
| Iy rectangle (mm4): | Iy |
| rx rectangle (mm): | rx |
| ry rectangle (mm): | ry |
| Zx rectangle (mm3): | Zx |
| Zy rectangle (mm3): | Zy |
| SFx rectangle: | SFx |
| SFy rectangle: | SFy |
| 3. RECTANGLE CREUX |
|---|
![]() |
| A rectangle creux (mm2): | A |
| yc rectangle creux (mm): | yc |
| xc rectangle creux (mm): | xc |
| Ix rectangle creux (mm4): | Ix |
| Iy rectangle creux (mm4): | Iy |
| rx rectangle creux (mm): | rx |
| ry rectangle creux (mm): | ry |
| Zx rectangle creux (mm3): | Zx |
| Zy rectangle creux (mm3): | Zy |
| SFx rectangle creux: | SFx |
| SFy rectangle creux: | SFy |
| 4. FORME EN T |
|---|
![]() |
| A forme en T (mm2): | A |
| yc forme en T (mm): | yc |
| xc forme en T (mm): | xc |
| Ix forme en T (mm4): | Ix |
| Iy forme en T (mm4): | Iy |
| rx forme en T (mm): | rx |
| ry forme en T (mm): | ry |
| Zx forme en T (mm3): | Zx |
| Axe neutre x - à partir du bas (mm): | NAx |
| Axe neutre x - en partant du haut (mm): | NAx |
| Zy forme en T (mm3): | Zy |
| SFx forme en T: | SFx |
| SFy forme en T: | SFy |
| 5. PROFIL U |
|---|
![]() |
| A profil U (mm2): | A |
| yc profil U (mm): | yc |
| xc profil U (mm): | xc |
| Ix profil U (mm4): | Ix |
| Iy profil U (mm4): | Iy |
| rx profil U (mm): | rx |
| ry profil U (mm): | ry |
| Zx profil U (mm3): | Zx |
| Axe neutre x - à partir du bas (mm): | NAx |
| Axe neutre x - en partant du haut (mm): | NAx |
| Zy profil U (mm3): | Zy |
| SFx profil U: | SFx |
| SFy profil U: | SFy |
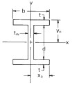
| 6. PROFIL I AVEC BRIDES ÉGALES |
|---|
![]() |
| A profil I avec brides égales (mm2): | A |
| yc profil I avec brides égales (mm): | yc |
| xc profil I avec brides égales (mm): | xc |
| Ix profil I avec brides égales (mm4): | Ix |
| Iy profil I avec brides égales (mm4): | Iy |
| rx profil I avec brides égales (mm): | rx |
| ry profil I avec brides égales (mm): | ry |
| Zx profil I avec brides égales (mm3): | Zx |
| Zy profil I avec brides égales (mm3): | Zy |
| SFx profil I avec brides égales: | SFx |
| SFy profil I avec brides égales: | SFy |
| 6bis. PROFIL I AVEC BRIDES INÉGALES (b2 >= b1) |
|---|
![]() |
| A profil I avec brides inégales (mm2): | A |
| Ix profil I avec brides inégales (mm4): | Ix |
| Iy profil I avec brides inégales (mm4): | Iy |
| distance fond - axe neutre x (mm): | NAx |
| distance côté droit - axe neutre y (mm)(b2/2): | NAy |
| 7. PROFIL L ISOCÈLE |
|---|
![]() |
| A profil L isocèle (mm2): | A |
| yc1 profil L isocèle (mm): | yc1 |
| yc2 profil L isocèle (mm): | yc2 |
| xc profil L isocèle (mm): | xc |
| Ix profil L isocèle (mm4): | Ix |
| Iy profil L isocèle (mm4): | Iy |
| rx profil L isocèle (mm): | rx |
| ry profil L isocèle (mm): | ry |
| Zx profil L isocèle (si t/a>= 0,40) (mm3): | Zx1 |
| Zx profil L isocèle (si t/a<= 0,40) (mm3): | Zx2 |
| yp profil L isocèle si t/a >= 0,40 (mm): | yp1 |
| yp profil L isocèle si t/a <=0,40 (mm): | yp2 |
| 8. PROFIL L INÉGAL |
|---|
![]() |
| A profil L inégal (mm2): | A |
| yc profil L inégal (mm): | yc |
| xc profil L inégal (mm): | xc |
| Ix profil L inégal (mm4): | Ix |
| Iy profil L inégal (mm4): | Iy |
| Ixy profil L inégal (mm4): | Ixy |
| rx profil L inégal (mm): | rx |
| ry profil L inégal (mm): | ry |
| 9. TRIANGLE ÉQUILATÉRAL |
|---|
![]() |
| A triangle équilatéral (mm2): | A |
| yc triangle équilatéral (mm): | yc |
| xc triangle équilatéral (mm): | xc |
| y'c triangle équilatéral (mm): | y'c |
| Ix triangle équilatéral (mm4): | Ix |
| Iy triangle équilatéral (mm4): | Iy |
| Ix' triangle équilatéral (mm4): | Ix' |
| rx triangle équilatéral (mm): | rx |
| ry triangle équilatéral (mm): | ry |
| rx' triangle équilatéral (mm): | rx' |
| Zx triangle équilatéral (mm3): | Zx |
| Zy triangle équilatéral (mm3): | Zy |
| SFx triangle équilatéral: | 2.343 |
| SFy triangle équilatéral: | 2.000 |
| axe neutre x distance de la base (mm): | NA |
| 10. TRIANGLE ISOCÈLE |
|---|
![]() |
| A triangle isocèle (mm2): | A |
| yc triangle isocèle (mm): | yc |
| xc triangle isocèle (mm): | xc |
| Ix triangle isocèle (mm4): | Ix |
| Iy triangle isocèle (mm4): | Iy |
| rx triangle isocèle (mm): | rx |
| ry triangle isocèle (mm): | ry |
| Zx triangle isocèle (mm3): | Zx |
| Zy triangle isocèle (mm3): | Zy |
| SFx triangle isocèle: | 2.343 |
| SFy triangle isocèle: | 2.000 |
| axe neutre x distance de la base (mm): | NA |
| 11. TRIANGLE |
|---|
![]() |
| A triangle (mm2): | A |
| yc triangle (mm): | yc |
| xc triangle (mm): | xc |
| Ix triangle (mm4): | Ix |
| Iy triangle (mm4): | Iy |
| Ixy triangle (mm4): | Ixy |
| Tetax triangle (degrés): | Tetax |
| rx triangle (mm): | rx |
| ry triangle (mm): | ry |
| 12. PARALLÉLOGRAMME |
|---|
![]() |
| A parallélogramme (mm2): | A |
| yc parallélogramme (mm): | yc |
| xc parallélogramme (mm): | xc |
| Ix parallélogramme (mm4): | Ix |
| Iy parallélogramme (mm4): | Iy |
| Ixy parallélogramme (mm4): | Ixy |
| Tetax parallélogramme (degrés): | Tetax |
| rx parallélogramme (mm): | rx |
| ry parallélogramme (mm): | ry |
| 13. LOSANGE |
|---|
![]() |
| A losange (mm2): | A |
| yc losange (mm): | yc |
| xc losange (mm): | xc |
| Ix losange (mm4): | Ix |
| Iy losange (mm4): | Iy |
| rx losange (mm): | rx |
| ry losange (mm): | ry |
| Zx losange (mm3): | Zx |
| Zy losange (mm3): | ry |
| SFx losange : | 2.000 |
| SFy losange : | 2.000 |
| 14. TRAPÉZOÏDE |
|---|
![]() |
| A trapézoïde (mm2): | A |
| yc trapézoïde (mm): | yc |
| xc trapézoïde (mm): | xc |
| Ix trapézoïde (mm4): | Ix |
| Iy trapézoïde (mm4): | Iy |
| Ixy trapézoïde (mm4): | Ixy |














